MINICOMB Pressure Switch 30x30
Compact Pressure Switch for Pressure and Vacuum
- Description
- Technical Data
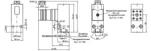
- Dimensions
- Electrical Data
- Order Codes
MINICOMB® Pressure Switch
• standardized compact dimensions 30x30
• friction-free force-balance measuring system
• high repeatability
• very good longterm stability
• pressure ranges -0,9... 0 (+1) bar or 0,2 - 16 bar
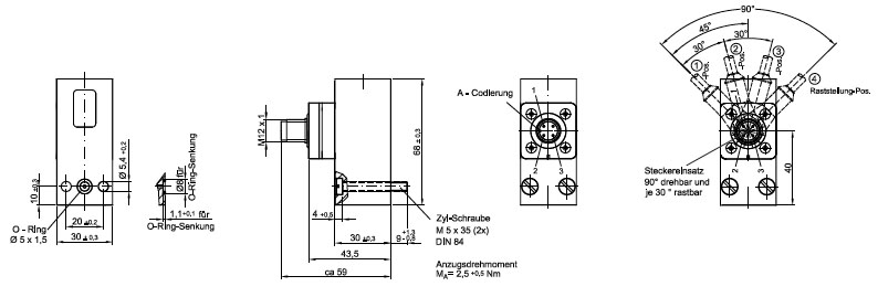
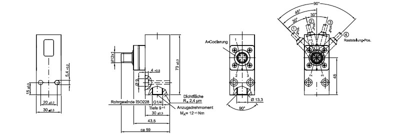
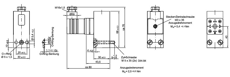
• process connection female thread or sub-base mounting
• electrical connection ISO 4400 or M12x1
• approved for applications requiring PLc
• approved for ATEX-Zone 2 / 22
Description
The MINICOMB® pressure switch series is a very compact-sized 30x30 pressure switch for measuring compressed air, low-viscous media and non-aggressive gases.
It is based on a force-balance measuring system with bellows sensors actuating one switching contact. The force-balance measuring system with bellows sensors is friction-free and features high repeatability and very good longterm-stability.
The MINICOMB® is available with pressure range 0,2 - 16 bar, -0,9 - 0 bar or -0,9...+1 bar. Sub-base mounting or female threads are availbe for connecting to the process, while 4-pin plug according to ISO 4400 or plug M12x1 are available for electrical connection.
The MINICOMB® pressure switch series is approved for applications where PLc (Performance Level according to ISO 13849) is at least required (PLr) as well as for applications within hazardous area (zone 2 / 22 according to ATEX Directive 94/9/EC).
Operating Principle
The principle of operation is the balance of forces. The working force within each bellow is counter-balanced by adjustable steel springs. This system actuates a microswitch when the working pressure overcomes the opposing force. The measuring system operates without any pistons or diaphragms, thus completly friction-free, resulting in minimal wear and no maintenance.
Technical Data
| Technical Data | Standard | Options |
| Function | mechanical pressure switch, force-balance measuring system with bellows sensor | |
| Life Cycle | at least 10 Mio. switch cycles | |
| Pressure Range | 0,2 - 16 bar | |
| Vacuum Range | -0,9 - 0 bar | |
| Pressure / Vacuum Range | -0,9 - 1 bar | |
| Overpressure Safety | 25 bar | |
| Vacuum Safety | -1 bar | |
| Material Enclosure | Aluminium | |
| Material Wetted Parts | Aluminium, Brass, NBR (Seal) | FKM (Seal) |
| Permissable Media Temperature | -10...+80°C | |
| Permissable Ambient Temperature | -10...+80°C | |
| Temperature Deviation | ca. 1% je 20°C | |
| Adjustment Temperature | 20°C | on request |
| Switching Contact | 1 Micro Switch (SPDT) | |
| Adjustment Accuracy | < 1% FS | |
| Switching Accuracy | < 1% FS | |
| Repeatability | < 1% FS | |
| Switching Differential (Hysteresis) | < 4% FS | on request |
| Process Connection (alternatively) | Sub Base Mounting, Sub Base Mounting CNOMO, 1/4" Female Thread | |
| Electrical Connection (alternatively) | ISO400 plug (ex DIN 43650), M12x1 plug | |
| Weight | approx. 160g | |
| Protection Type | IP65 | |
| Shock Resistance (XYZ-Direction) | 15 g (IEC 60068-2-64) | |
| Vibration Resistance (XYZ-Direction) | 10 g (60 - 500 Hz) (IEC 60068-2-6) | |
Electrical Data
Category AC-12 / DC-12
Switching Capacity
max. steady current I max [A] on inductive load
| U [V] | 30 V | 48 V | 60 V | 125 V | 250V | |
| ISO 4400 plug | I [A] AC |
3 | 3 | 3 | 3 | 3 |
| I [A] DC | 2 | 0,55 | 0,4 | 0,15 | --- | |
| M12 plug | I [A] AC | 3 | --- | --- | --- | --- |
| I [A] DC | 2 | --- | --- | --- | --- | |
|
reference switch cycle: 30/min |
||||||
Switching Capacity
max. steady current I max [A] on ohmic load
| U [V] | 30 V | 48 V | 60 V | 125 V | 250V | |
| ISO 4400 plug | I [A] AC |
5 | 5 | 5 | 5 | 5 |
| I [A] DC | 3 | 1,2 | 0,8 | 0,4 | --- | |
| M12 plug | I [A] AC | 4 | --- | --- | --- | --- |
| I [A] DC | 3 | --- | --- | --- | --- | |
|
reference switch cycle: 30/min |
||||||
Electrical Connection
shown in zero pressure condition
| ISO 4400 plug | M12 plug | ||
| Micro Switch | +Ub | 1 | 1 |
| normally closed | 2 | 2 | |
| normanlly open | 3 | 4 | |
| GND | 4 | --- | |
Order Codes
most common versions
| Pressure Range | Electrical Connection | Process Connection | Remark | Order Code |
| 0,2 - 16 bar | ISO 4400 | Sub Base Mounting | 1 | C0011F-199-PAO |
| Sub Base Mounting | ATEX, 1 | C0111F-199-PAO | ||
| Sub Base Mounting CNOMO | 1 | C0011F-199-CAO | ||
| 1/4" Female Thread | 2 | C0051F-199-4AO | ||
| 1/4" Female Thread |
ATEX, 2 | C0151F-199-4AO | ||
| M12 | Sub Base Mounting | 1 | C0011F-199-PDO | |
| Sub Base Mounting | ATEX, 1 | C0111F-199-PDO | ||
| Sub Base Mounting CNOMO | 1 | C0011F-199-CDO | ||
| 1/4" Female Thread | 2 | C0051F-199-4DO | ||
| 1/4" Female Thread | ATEX, 2 | C0151F-199-4DO | ||
| -0,9...0 bar | ISO 4400 | Sub Base Mounting | 1 | C0011F-300-PAO |
| Sub Base Mounting | ATEX, 1 | C0111F-300-PAO | ||
| 1/4" Female Thread | 2 | C0051F-300-4AO | ||
| 1/4" Female Thread | ATEX, 2 | C0151F-300-4AO | ||
| M12 | Sub Base Mounting | 1 | C0011F-300-PDO | |
| Sub Base Mounting | ATEX, 1 | C0111F-300-PDO | ||
| 1/4" Female Thread | 2 | C0051F-300-4DO | ||
| 1/4" Female Thread | ATEX, 2 | C0151F-300-4DO | ||
| -0,9...0 bar | ISO 4400 | Sub Base Mounting | 1 | C0011F-301-PAO |
| Sub Base Mounting | ATEX, 1 | C0111F-301-PAO | ||
| 1/4" Female Thread | 2 | C0051F-301-4AO | ||
| 1/4" Female Thread | ATEX, 2 | C0151F-301-4AO | ||
| M12 | Sub Base Mounting | 1 | C0011F-301-PDO | |
| Sub Base Mounting | ATEX, 1 | C0111F-301-PDO | ||
| 1/4" Female Thread | 2 | C0051F-301-4DO | ||
| 1/4" Female Thread | ATEX, 2 | C0151F-301-4DO |
1) Counter plug and installation screws within scope of delivery
2) Counter plug within supply range