INDUSENS-EDS
Elektronischer Druckschalter für Druck und/oder Vakuum
- Beschreibung
- Technische Daten
- Einbaumaße
- Elektrische Daten
- Display, Menüführung
- Bestellnummern-Übersicht
MINICOMB-EDS Elektronischer Druckschalter
• elektronischer Druckschalter
• monochromes, hochauflösendes OLED-Vollgrafikdisplay
• Messbereiche von -1...0 bar / 0 - 1 bar bis 0 - 600 bar
• Relativ- und Absolutdruck
• Ausgangssignal wahlweise 1x PNP, 2x PNP oder 1x PNP und 4 - 20 mA
• Ausgänge konfigurierbar Hysterese- oder Fenstermodus
• Genauigkeit < 0,5% FS
Beschreibung
Der INDUSENS® EDS ist ein elektronischer Druckschalter zum Messen, Schalten und Anzeigen von Relativ- und Absolutdruck sowie Vakuum von gasförmigen und flüssigen Medien.
Der multifunktionale INDUSENS® EDS verfügt über ein monochromes hochauflösendes OLED-Vollgrafikdisplay, das den Istwert in verschiedenen Druckeinheiten darstellt und die Parametrierung des Druckschalters nach VDMA-Standard sowie zusätzlicher Klartext-Menüführung bietet. Die Parametrierung erfolgt über das ergonomische 3-Tasten Bedienfeld.
Darüber hinaus verfügt der INDUSENS® EDS wahlweise über 1 oder 2 Schaltausgänge oder 1 Schaltausgang mit zusätzlichem Analogausgang (4 - 20 mA). Je nach Anwendungsfall stehen verschiedene Schaltfunktionen zur verfügung:
Im Hysterese-Modus können Schaltpunkt SP und Rückschaltpunkt RP frei eingestellt werden. Es wird erst bei Erreichen des RP zurückgeschaltet. Dies ermöglicht beispielsweise eine einfache 2-Punkt Regelung.
Mit dem Fenster-Modus können definierte Bereiche überwacht werden. Ist der Prozessdruck innerhalb des definierten Bereichs (Fenster) wird der Ausgang wahlweise geschlossen oder geöffnet.
Der Fensterbereich kann frei über SP (oberer Wert) und RP (unterer Wert) festgelegt werden.
Bei 2P-Ausführungen können die Schaltmodi für beide Ausgänge unterschiedlich konfiguriert werden.
Schaltfunktion (NC oder NO) sowie Schalt- und Rückschaltverzögerung lassen sich in allen Modi frei einstellen.
Weitere Funktionen wie beispielsweise drehbare Displayanzeige, einstellbare Displayabschaltung, Nullpunktjustage oder Passwortschutz erhöhen Nutzen und Komfort des INDUSENS® EDS.
Technische Daten
| Technische Daten | Standardausführung | Optionen |
| Funktion | elektronischer Druckschalter mit Anzeige; basierend auf Keramikmesszelle | |
| Lebensdauer | mindestens 100 Mio Lastwechsel | |
| Normaldruckbereiche (relativ oder absolut) | 0 - 1 bar; 0 - 1,6 bar; 0 - 2,5 bar; 0 - 4 bar; | |
| 0 - 6 bar; 0 - 10 bar; 0 - 16 bar; 0 - 25 bar | ||
| Hochdruckbereiche | 0 - 60 bar; 0 - 100 bar; 0 - 160 bar; 0 - 250 bar; 0 - 400 bar; 0 - 600 bar | |
| Vakuumbereiche (relativ) | -1...0 bar; -1...+1 bar; -1...+5 bar; -1...+9 bar; -1...+15 bar; -1...+24 bar | |
| Überdrucksicherheit (kurzzeitig) | > 2,5x FS | auf Anfrage |
| Berstdruck | > 3,0x FS | auf Anfrage |
| Vakuumsicherheit | -1 bar | |
| Werkstoff Gehäuse | Edelstahl 1.4301 (AISI 304), Aluminium | auf Anfrage |
| Werkstoff Druckanschluss (mediumberührt) | Edelstahl 1.4571 (AISI 316Ti) | auf Anfrage |
| Werkstoff Messzelle (mediumberührt) | Al2O3 | |
| Werkstoff Dichtung (mediumberührt) | FKM | auf Anfrage |
| Zulässige Mediumstemperatur | -20...+85°C | |
| Zulässige Umgebungstemperatur | -20...+85°C | |
| Ausgangssignal | wahlweise 1x PNP, 2x PNP, oder 1xPNP zusätzlichem Analogsignal (4 - 20 mA) | |
| Schaltgenauigkeit, Reproduzierbarkeit | < 0,5% FS | |
| Genauigkeit Analogsignal | < 0,5% FS | |
| Langzeitstabilität (DIN EN 60770) | ± 0,5% FS | |
| Schaltpunkt / Rückschaltpunkt | einstellbar >= 0,5% FS bis 100% FS / 0% FS bis SP - 0,5% FS | |
| Schaltfunktion | einstellbar individuell je Ausgang, Schließer, Öffner, Hysterese- oder Fenstermodus | |
| Schaltzeit | < 10ms | |
| Schaltstrom DC (PNP) | max. 0,5 A | auf Anfrage |
| max. Lastwiderstand | 600 Ω | |
| Display | OLED-Vollgrafikdisplay | |
| Anzeige Schaltzustand | je 1 LED pro Kanal (gelb) | |
| Menüführung | orientiert an VDMA Einheitsblatt 24574-1 (mit zusätzlicher Klartext-Menüführung) | |
| Menüsprache | einstellbar - Deutsch, Englisch, Französisch, Italienisch, Spanisch | |
| Versorgung | 24 VDC (15 - 32 VDC) | |
| Eigenstromaufnahme | < 50 mA | |
| Prozessanschluss | siehe Maßzeichnungen | |
| Elektrischer Anschluss | M12x1 Industriesteckverbinder (5-polig) | |
| Gewicht | ca. 0,3 kg | |
| Schutzart (EN 60529) | IP67 (mit Steckverbinder) | |
| Schockfestigkeit (XYZ-Richtung) | 30g, xyz, DIN EN 60068-2-27 (11ms) | |
| Vibrationsfestigkeit (XYZ-Richtung) | 5g (10….150Hz), xyz DIN EN 60068-2-6 | |
| Elektromagnetische Verträglichkeit | EMV-Richtlinie 2004/108/EG, | |
| EN 61326-1:2013, EN 61326-2-3:2013; | ||
| EN 61000-6-2:2005; EN 61000-6-4:2007 + A1:2011 | ||
| Weitere Funktionen | Nullpunktjustage, einstellbare Schalt- und Rückschaltverzögerung, umschaltbare Einheiten , einstellbare Displayabschaltung, Displaydarstellung um 180° drehbar, konfigurierbarer Passwortschutz | |
| Weitere Optionen | öl- und fettfreie Ausführung, mechanische Plombiermöglichkeit | |
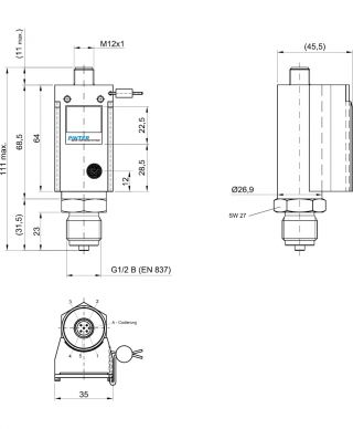
Einbaumaße
Ausführung mit Außengewinde G 1/2 B
Ausführung mit Außengewinde G 1/2 B und Plombierung
Prozessanschlüsse
Elektrische Daten
Stecker-Belegung
| Pin | Beschreibung | Kabelfarbe (als Zubehör erhältlich) |
![]() |
| 1 | +Ub | braun | |
| 2 | OUT2 (PNP) / 4 - 20 mA | weiß | |
| 3 | 0 Volt | blau | |
| 4 | OUT1 (PNP) | schwarz | |
| 5 | FE | grau |
Schaltbilder
1P (1x PNP-Ausgang)
2P (2x PNP-Ausgang)
1PA (1x PNP-Ausgang + 1x Analogausgang)
Schaltfunktionen
Hysterese-Modus
Fenster-Modus
Bedienelemente
![]() |
1) LED für Schaltausgang 1 |
| 2) LED für Schaltausgang 2 | |
| 3) Display (Druckanzeige, Betriebsmodi, Menüführung) | |
| 4) Menü / Menüpunkt-Auswahl bestätigen | |
| 5) Tasten für Auswahl Menüpunkt / Parameteränderung |
Menüführung (Auszug)
beispielhaft an einer 2P-Ausführung mit Schaltfunktion 1 HNC und Schaltfunktion 2 FNO

weitere Informationen sowie die komplette Menüführung entnehmen Sie bitte der Bedienungsanleitung
Bestellnummern-Übersicht
gängiste Ausführungen
| Bestellnummer | SE | 1 | 0 | x | x | - | x | x | - | x | D | x | |
| Material | Edelstahl 1.4301 (Gehäuse); Al2O3, FKM (mediumberührt) |
1 | |||||||||||
| Ausgang | 1x PNP | A | |||||||||||
| 2x PNP | B | ||||||||||||
| 1x PNP + 4 - 20 mA | C | ||||||||||||
| Druck | relativ | 0 | |||||||||||
| absolut | 5 | ||||||||||||
| Druckbereiche | -1...0 bar | 06 | |||||||||||
| -1...+1 bar | 09 | ||||||||||||
| 0 - 1 bar | 20 | ||||||||||||
| 0 - 1,6 bar | 22 | ||||||||||||
| 0 - 2,5 bar | 23 | ||||||||||||
| 0 - 4 bar | 24 | ||||||||||||
| 0 - 6 bar | 25 | ||||||||||||
| 0 - 10 bar | 26 | ||||||||||||
| 0 - 16 bar | 27 | ||||||||||||
| 0 - 25 bar | 28 | ||||||||||||
| 0 - 40 bar | 29 | ||||||||||||
| 0 - 60 bar | 0 | 30 | |||||||||||
| 0 - 100 bar | 0 | 31 | |||||||||||
| 0 - 160 bar | 0 | 32 | |||||||||||
| 0 - 250 bar | 0 | 33 | |||||||||||
| 0 - 400 bar | 0 | 35 | |||||||||||
| 0 - 600 bar | 0 | 48 | |||||||||||
| Prozessanschluss | G 1/4 B (EN 837), Edelstahl 1.4571/AISI 316Ti (mediumberührt) | B | |||||||||||
| G 1/2 B (EN 837), Edelstahl 1.4571/AISI 316Ti (mediumberührt) | D | ||||||||||||
| G 1/4 innen (EN 837), Edelstahl 1.4571/AISI 316Ti (mediumberührt) | G | ||||||||||||
| G 1/2 innen (EN 837), Edelstahl 1.4571/AISI 316Ti (mediumberührt) | H | ||||||||||||
| 1/2“ NPT male (ASME B1.20), Edelstahl 1.4571/AISI 316Ti (mediumberührt) | J | ||||||||||||
| G 1/4 hinten dichtend (DIN 3852), Edelstahl 1.4571/AISI 316Ti (mediumberührt) | M | ||||||||||||
| G 1/2 hinten dichtend (DIN 3852), Edelstahl 1.4571/AISI 316Ti (mediumberührt) | N | ||||||||||||
| Weitere Optionen | ohne weitere Optionen | O | |||||||||||
| öl- und fettfreie Ausführung | A | ||||||||||||

